Карбюратор однокамерный, с падающим потоком горючей смеси и двойным распыливанием топлива. Корректировка состава
смеси осуществляется методом изменения разрежения за главным жиклером. Карбюратор сбалансирован и снабжен двумя экономайзерами — с механическим и пневматическим приводами, а также ускорительным насосом. Карбюратор (рис. 63) состоит из трех основных частей: верхней и средней, отлитых из цинкового сплава, и нижней, отлитой из серого чугуна.В верхней части, представляющей собой приемный воздушный патрубок и крышку поплавковой камеры, размещаются воздушная заслонка 2 с автоматическим клапаном, регулировочный винт 6 холостого хода, гнездо под штуцер для подвода топлива в поплавковую камеру, топливный фильтр и игольчатый запорный клапан.
Средняя часть состоит из блока диффузоров и корпуса поплавковой камеры. Диффузоры отлиты за одно целое с корпусом. В средней же части размещены и все дозирующие элементы карбюратора.Нижняя часть карбюратора представляет собой корпус смесительной камеры, в которой на оси смонтирована дроссельная заслонка 14, а в самом корпусе выполнен вертикальный канал холостого хода с выходным отверстием 16 прямоугольного сечения.
Между верхней и средней частями карбюратора ставится картонная прокладка, а между средней и нижней — теплоизоляционная.Дроссельная и воздушная заслонки связаны между собой тягой так, что при полностью закрытой воздушной заслонке дроссельная заслонка несколько приоткрыта и зазор между ее кромкой и стенкой главного воздушного канала составляет 0,6—0,9 мм.
При работе двигателя на холостом ходу воздушная заслонка открыта, дроссельная же прикрыта.Под действием высокого разрежения, имеющегося в задроссельном пространстве, топливо из поплавковой камеры через экономжиклер 11, главный жиклер 13 и жиклер холостого хода 4 поступает в вертикальный канал холостого хода и далее через прямоугольное выходное отверстие в главный воздушный канал. При выходе из жиклера холостого хода 4 топливо эмульсируется воздухом, поступающим из приемного патрубка по каналу постоянного сечения 3 и каналу, регулируемому винтом 6. Таким образом, винтом 6 регулируется количество воздуха, поступающего в канал холостого хода, а следовательно, и разрежение за жиклером холостого хода; чем больше ввернут винт, тем больше разрежение за жиклером холостого хода 4 и тем богаче смесь. Величина открытия дроссельной заслонки на холостом ходу регулируется упорным винтом, расположенным с внешней стороны карбюратора.
При дальнейшем открытии дроссельной заслонки разрежение за ней снижается, интенсивность работы устройства холостого хода слабеет. В малом диффузоре разрежение с открытием дроссельной заслонки растет до тех пор, пока оно не становится достаточным для работы главной дозирующей системы.При этом топливо из поплавковой камеры через жиклеры 11 и 13 поступает в эмульсионный колодец и оттуда через кольцевую щель /, имеющуюся в узком сечении малого диффузора, в воздушный поток, подвергаясь распыливанию воздухом при выходе из щели и из малого диффузора. При движении по эмульсионному каналу топливо смешивается с воздухом, идущим через главный воздушный жиклер 15. Когда дроссельная заслонка откроется настолько, что устройство холостого хода прекратит работу, воздух, идущий через топливный жиклер холостого хода, помимо эмульсирования топлива будет тормозить рост разрежения за главным жиклером. В результате разрежение в эмульсионном колодце будет расти медленнее, чем разрежение в диффузоре.
Когда дроссельная заслонка откроется настолько, что разрежение за ней станет ниже того, на которое отрегулирован пневматический экономайзер, последний вступит в работу. Пневматический экономайзер включает в себя поршень 9 с пружиной, которая стремится все время держать его в верхнем положении, и клапан с жиклером 10. Игла клапана 5 механически связана с поршнем экономайзера. Подпоршневое пространство экономайзера связано каналом 12 с задроссельной полостью.При работе двигателя с малыми нагрузками разрежение за дроссельной заслонкой большое. Под действием этого разрежения поршень 9, сжимая пружину 8, находится в нижнем положении. Игла клапана экономайзера в это время сидит в своем гнезде, и жиклер экономайзера 10 не работает. Так как экономайзер располагается в поплавковой камере, то во избежание передачи разрежения через зазор между поршнем и стенками цилиндра в поплавковую камеру в цилиндре установлена специальная уплотнителъная втулка, на которую садится поршень в нижнем положении.
При снижении разрежения за дроссельной заслонкой поршень экономайзера под действием пружины идет вверх, вместе с ним движется и игла клапана. Топливо из поплавковой камеры через жиклер экономайзера будет поступать в канал главной системы. Смесь обогатится. Жиклер регулируют так, чтобы он не обеспечивал полностью мощностного состава смеси. Основным назначением этого экономайзера является некоторое обогащение смеси при неустановившемся движении автомобиля.При полностью открытой дроссельной заслонке или положении ее, близком к полному открытию, работает экономайзер с механическим приводом.
При открытии дроссельной заслонки рычаг, жестко сидящий на ее оси, повернется, и привод ускорительного насоса займет нижнее положение. Планка 7, сидящая на приводе, нажмет на толкатель экономайзера, который откроет шариковый клапан. Тогда топливо из поплавковой камеры дополнительно пойдет через клапан экономайзера в главный топливный канал. В этом случае лимитировать расход топлива будет только главный жиклер 13, который отрегулирован на максимальную мощность двигателя.При резком открытии дроссельной заслонки привод ускорительного насоса также резко пойдет вниз.
Шток поршня ускорительного насоса свободно сидит в планке, которая нажимает на пружину насоса. Под действием давления пружины поршень пойдет вниз и топливо, пройдя выпускной игольчатый клапан 17, через форсунку 18 впрыснется в смесительную камеру. Смесь кратковременно обогатится.Привод ускорительного насоса выполнен так, что насос работает лишь при открытии дроссельной заслонки наполовину.
Для предотвращения подсоса топлива из форсунки ускорительного насоса при работе двигателя с постоянным положением дроссельной заслонки в форсунке 18 имеется радиальное отверстие.В дальнейшем карбюратор модернизирован и получил индекс К-82М.
В модернизированном карбюраторе изъята эмульсионная трубка. Вместо нее оставлен главный жиклер, имеющий другую форму.Диаметр смесительной камеры уменьшен до 40 мм. Регулировочный винт холостого хода установлен на эмульсию, а не на воздух, как было до модернизации. Увеличена длина направляющей топливного клапана, а поплавок подпружинен. Установлена кожаная манжета в ускорительном насосе и выполнен перепускной клапан в поршне насоса. Под топливный жиклер холостого хода установлена прокладка. Изменена регулировка дозирующих элементов. В остальном карбюратор остался тот же.
Основные данные карбюраторов МКЗ-К82 и МКЗ-К82М следующие:
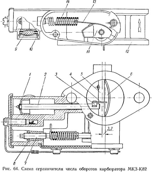
Корпус ограничителя 12 изготовлен из алюминиевого сплава. Ось 5 заслонки 6 регулятора вращается на игольчатых подшипниках и смещена относительно оси смесительной камеры на 3,2 мм.
На оси заслонки плотно сидит профилированный кулачок 77, на котором закреплена ленточная тяга 13, соединяющая кулачок с пружиной ограничителя 14. Пружина ограничителя имеет две регулировки: грубую и тонкую. Грубая регулировка осуществляется изменением числа рабочих витков пружины с помощью винта 7, а тонкая — ее натяжением с помощью гайки 8.В конструкции ограничителя предусмотрено специальное стабилизирующее устройство, предотвращающее открытие заслонки
регулятора при прикрытой дроссельной заслонке карбюратора. Устройство состоит из штока 2, поршня 1 и колодца. Шток стабилизатора посредством ролика 3 и кронштейна 4 соединен с дросселем регулятора.Внутренняя полость колодца со стороны штока соединена с полостью смесительной камеры, а наружная за поршнем соединена с окружающей средой. Воздух поступает в колодец через войлочный фильтр 9, закрепленный в корпусе шайбой и пружинным зажимом 10. Таким образом, если при приоткрытой дроссельной заслонке карбюратора возникнут большие разрежения над заслонкой регулятора, то она будет также прикрываться за счет перемещения штока стабилизатора.
Следовательно, стабилизатор обеспечивает на частичных нагрузках стабильную работу двигателя (без забросов).В данной конструкции изменение момента пружины осуществляется посредством изменения плеча с помощью профилированного кулачка 11.
Основные данные ограничителя оборотов следующие:Диаметр канала для прохода горючей смеси в мм 40
Угол наклона заслонки при полном открытии в град 9![]()

