Карбюратор К-38 устанавливается на двухцилиндровый двигатель с оппозитным расположением цилиндров мотоциклов М-61; М-62; М-63 производства Ирбитского завода. На каждый цилиндр двигателя устанавливается по одному карбюратору, которые совершенно аналогичны и являются зеркальным отображением Друг друга.
Карбюратор К-38 золотникового типа с небалансированной поплавковой камерой.
Корректировка состава горючей смеси осуществляется посредством дозирующей профилированной иглы и регулированием разрежения в распылителе главной дозирующей системы. Кроме того, карбюратор имеет самостоятельную систему холостого хода.
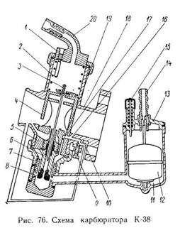
Общий вид карбюратора представлен на рис. 75, а на рис. 76 его схема.
Карбюратор состоит из корпуса смесительной камеры 18, выполненного за одно целое с присоединительным фланцем, сопловой камеры 5, поплавковой камеры 11, дроссельного золотника 4 и крышки смесительной камеры 1.
Корпус карбюратора К-38 и воздушный тракт к горизонтальной плоскости выполнены наклонно, под углом 15°. Все основные детали карбюратора изготовлены из цинкового сплава методом литья под давлением.


Корпуса смесительной камеры 18 для правого и левого карбюратора получают из одной и той же отливки путем соответствующей механической доработки специально предусмотренных для этой цели приливов и каналов.
В корпусе смесительной камеры размещены сопловая камера, дроссельный золотник и каналы холостого хода.
Корпус смесительной камеры закрывается крышкой. Сопловая камера вставляется с нижней стороны смесительной камеры и прижимается фасонной резьбовой муфтой 7.
Между муфтой и корпусом устанавливается уплотнительная фибровая прокладка.
В сопловой камере выполнены канал для установки распылителя главной системы, канал для подвода воздуха к главной системе, топливный канал холостого хода и одно выходное отверстие холостого хода 19.
Распылитель главной системы б составной. Корпус распылителя изготовлен из цинкового сплава с залитой в середине его латунной калиброванной трубкой.
В нижнюю часть корпуса распылителя ввернут главный жиклер карбюратора 8. Распылитель ввертывается в корпус сопловой камеры снизу.
Топливный канал системы холостого хода выполнен непосредственно в корпусе сопловой камеры. При этом калиброванное отверстие холостого хода 17 сверлится с боковой стороны сопловой камеры. Воздух к главной дозирующей системе поступает через канал, имеющийся в нижней части приемного патрубка. Затем он попадает в кольцевую полость вокруг распылителя, регулируя соответствующим образом разрежение в главной системе. Подвод воздуха в систему холостого хода осуществляется также из передней части приемного патрубка через специальный канал в корпусе смесительной камеры.
Регулировочный винт холостого хода 9 расположен горизонтально и регулирует проходное сечение для воздуха, т. е. установлен на воздух.
Выходных отверстий холостого хода два: одно 19 перед задней кромкой дроссельного золотника и второе 16 в задроссельиой полости. В системе холостого хода имеется также дренажное отверстие 10, закрытое крышкой и фильтром.
Дроссельный золотник изготовлен из цинкового сплава и имеет цилиндрическую форму. Размещается он в вертикальном канале. На дроссельном золотнике посредством пружинного пластинчатого замка установлена профилированная дозирующая игла 3.
На верхней части иглы имеется пять кольцевых проточек для обеспечения возможности переставлять иглу, а следовательно, и изменять регулировку карбюратора, исходя из конкретных условий эксплуатации.
Крышка смесительной камеры закрепляется на корпусе с помощью фасонной резьбовой гайки. Для фиксации крышки в строго определенном положении на корпусе смесительной камеры на нижней ее части имеется выступ, а на торце корпуса специальная выемка.
Крышка смесительной камеры имеет наклонную трубку 20 с регулировочной муфтой для крепления тросика дроссельного золотника. С внутренней стороны крышки запрессован штифт, ограничивающий подъем дроссельного золотника на период обкатки мотоцикла.
Внутри корпуса смесительной камеры установлена пружина 2, которая опирается одним концом в крышку 1, а вторым — в дроссельный золотник и стремится все время держать его в закрытом положении.
В боковой части корпуса смесительной камеры имеется установочный винт, регулирующий нижнее положение дроссельного золотника. Для фиксации винта предусмотрена контргайка.
Поплавковая камера карбюратора крепится к корпусу смесительной камеры посредством специального болта. На соединительном болте имеется топливный сетчатый фильтр (на схеме не указано).
Крышка поплавковой камеры 13 крепится к корпусу посредством двух винтов. На крышке смонтирован утопитель 15, топливоприемный штуцер 14 и седло топливного запорного клапана, выполненное в штуцере.
Топливоприемный безрезьбовой штуцер изготовлен из латуни и залит в крышке поплавковой камеры. Игла топливного запорного клапана смонтирована на поплавке 12. Направляющие иглы обеспечивают движение поплавку только вертикальное.
При работе двигателя на минимальных оборотах холостого хода дроссельный золотник прикрыт почти полностью. Максимальное разрежение при этом имеет место в задроссельной полости. Топливо в результате этого разрежения, передающегося через выходной канал холостого хода 16, идет из поплавковой камеры мимо распылителя по каналу холостого хода, выполненного в сопловой камере, смешивается с воздухом, поступающим через канал, регулируемый винтом, и в виде эмульсии через выходной канал поступает в задроссельную полость. Через выходное отверстие 19 на этом режиме будет поступать воздух дополнительно, эмульсируя топливо. По мере открытия дроссельного золотника разрежение у выходного канала 19 увеличивается и через него также начнет поступать эмульсия. Этим обеспечивается при подъеме дроссельного золотника плавный переход двигателя с малых оборотов на повышенные . При дальнейшем открытии дроссельного золотника в работу вступает главная дозирующая система.
Плавность работы двигателя на этом режиме достигается глубиной выреза передней части дроссельного золотника и положением распылителя в смесительной камере.
Требуемый состав горючей смеси при работе главной дозирующей системы обусловливается кольцевой полостью между профилированной дозирующей иглой 3 и стенками калиброванной трубки.
При подъемах дроссельного золотника, когда игла значительно выходит из калиброванной трубки, состав горючей смеси определяется пропускной способностью главного жиклера и влиянием воздуха, поступающего из приемного патрубка карбюратора на разрежение за главным жиклером.
Основные данные карбюратора К-38 следующие:
Диаметр входного патрубка в мм 24
Диаметр смесительной камеры в мм 24
Расстояние от уровня топлива в поплавковой камере до плоскости разъема в мм 19
Вес поплавка в г 8,8
Диаметр топливного отверстия холостого хода в сопловой
камере в мм 0,5
Вес карбюратора в кг 0,85
Пропускная способность главного жиклера в см3/мин 150

